Electricity class 10 Notes | class 10 electricity chapter | class x electricity notes | electricity class 10th notes

ಈ ಕೆಳಗಿನ ಪ್ರಶ್ನೆಗಳಿಗೆ ಉತ್ತರ ನಿಡಿ :Electricity class 10 Notes
1. ವಿದ್ಯುತ್ ಮಂಡಲದ ಅರ್ಥವೇನು ?
ವಿದ್ಯುತ್ ಪ್ರವಾಹದ ನಿರಂತರ ಮತ್ತು ಆವೃತ ಮಾರ್ಗವನ್ನು ವಿದ್ಯುತ್ ಮಂಡಲ ಎಂದು ಕರೆಯುತ್ತಾರೆ .
2.ವಿದ್ಯುತ್ ಪ್ರವಾಹದ ಏಕಮಾನವನ್ನು ವ್ಯಾಖ್ಯಾನಿಸಿ .
ವಿದ್ಯುತ್ ಪ್ರವಾಹದ ಏಕಮಾನ ಆಂಪೀರ್ ( A ) ಆಗಿದೆ . ಒಂದು ಆಂಪೀರ್ ಎಂದರೆ ಒಂದು ಸೆಕೆಂಡಿನಲ್ಲಿ ಒಂದು ಕೂಲಮ್ ಆವೇಶದ ಪ್ರವಾಹ ಆಗಿದೆ .
3.ಒಂದು ಕೂಲಮ್ ಆವೇಶವನ್ನು ರೂಪಿಸಿದ ಇಲೆಕ್ಟ್ರಾನ್ ಗಳ ಸಂಖ್ಯೆಯನ್ನು ಲೆಕ್ಕ ಹಾಕಿರಿ .
ಒಂದು ಇಲೆಕ್ಟ್ರಾನ್ 1.6X10-19 C ಆವೇಶವನ್ನು ಹೊಂದಿಕೊಂಡಿದೆ .
ಆದ್ದರಿಂದ ಒಂದು ಕೂಲಮ್ ಆವೇಶವನ್ನು ರೂಪಿಸಲು ಬೇಕಾಗಿರುವ ಇಲೆಕ್ಟ್ರಾನ್ ಗಳ ಸಂಖ್ಯೆ =1/6 1.6X10 -19 = 6.25X1018 = 6X1018
4.ವಾಹಕದ ಮೂಲಕ ವಿಭವಾಂತರವನ್ನು ನಿರ್ವಹಿಸಲು ಸಹಾಯ ಮಾಡುವ ಸಾಧನವನ್ನು ಹೆಸರಿಸಿ .
ವಿದ್ಯುತ್ ಕೊಶ .
5.ಎರಡು ಬಿಂದುಗಳ ನಡುವಿನ ವಿಭವಾಂತರ
ಒಂದು ಕೂಲಮ್ ಆವೇಶವನ್ನು ಒಂದು ಬಿಂದುವಿನಿಂದ ಮತ್ತೊಂದು ಬಿಂದುವಿಗೆ ಸಾಗಿಸಲು 1 ) ಕೆಲಸದ ಅವಶ್ಯಕತೆಯಿದೆ ಎಂದರ್ಥ .
1V . ಈ ಹೇಳಿಕೆಯ ಅರ್ಥವನ್ನು ತಿಳಿಸಿ .
6. 6V ವಿದ್ಯುತ್ ಕೋಶದ ಮೂಲಕ ಹಾದು ಹೋಗುವ ಪ್ರತಿಯೊಂದು ಕೂಲಮ್ ಆವೇಶಗಳಿಗೆ ಎಷ್ಟು ಶಕ್ತಿಯನ್ನು ಒದಗಿಸಲಾಗುವುದು ?
ವಿದ್ಯುತ್ ಕೋಶದ ಮೂಲಕ ಹಾದು ಹೋಗುವ ಪ್ರತಿಯೊಂದು ಕೂಲಮ್ ಆವೇಶಗಳಿಗೆ ಒದಗಿಸುವ ಶಕ್ತಿಯು ಆವೇಶಗಳ ಹರಿವಿಗೆ ಆಗುವ ಕೆಲಸಕ್ಕೆ ಸಮವಾಗಿರುವುತ್ತದೆ .
ವಿಭವಾಂತರ ( V ) = ಕೆಲಸ ( W ) / ಆವೇಶ ( Q ) ಆಗಿದೆ.
W = V / Q , ಆವೇಶವು Q = 1C ಮತ್ತು ವಿಭವಾಂತರವು V = 6V ಆದಾಗ
W = 1 X 6= 6J 6 ] ಶಕ್ತಿಯನ್ನು ಒದಗಿಸಬೇಕಾಗುತ್ತದೆ.
7. ವಾಹಕದ ರೋಧವು ಯಾವ ಅಂಶಗಳ ಮೇಲೆ ಅವಲಂಬಿತ ಆಗಿದೆ?
ವಾಹಕದ ಉದ್ದ
ವಾಹಕದ ಅಡ್ಡಕೊಯ್ತ
ವಾಹಕವಾಗಿ ಬಳಸುವ ವಸ್ತುವಿನ ವಿಧ
ವಾಹಕದ ತಾಪ .
8.ಒಂದೇ ರೀತಿಯ ವಸ್ತುವಿನ ದಪ್ಪವಾದ ತಂತಿ ಅಥವಾ ತೆಳುವಾದ ತಂತಿಯನ್ನು ಒಂದೇ ಮೂಲಕ್ಕೆ ಸಂಪರ್ಕಿಸಿದಾಗ ಯಾವ ತಂತಿಯ ಲಕ ವಿದ್ಯುತ್ ಸುಲಭವಾಗಿ ಹರಿಯುವುದು . ? ಮತ್ತು ಹೇಗೆ ?
ದಪ್ಪವಾದ ತಂತಿಯ ಮೂಲಕ ವಿದ್ಯುತ್ ಸುಲಭವಾಗಿ ಹರಿಯುವುದು . ಏಕೆಂದರೆ ತೆಳುವಾದ ತಂತಿಗಿಂತ ದಪ್ಪ ತಂತಿಯಲ್ಲಿ ರೋಧವು ಕಡಿಮೆಯಿರುತ್ತದೆ ಏಕೆಂದರೆ ವಾಹಕದ ರೋಧವು ವಸ್ತುವಿನ ಅಡ್ಡಕೊಯ್ದಕ್ಕೆ ವಿಲೋಮಾ ಅನುಪಾತದಲ್ಲಿರುತ್ತದೆ .
9. ವಿದ್ಯುತ್ ಆವಯವದ ರೋಧವು ಸ್ಥಿರಾಂಕವಾಗಿದ್ದು, ಅದರ ಎರಡು ತುದಿಗಳಲ್ಲಿನ ವಿಭವಾಂತರವು ಅದರ ಹಿಂದಿನ ಮೌಲ್ಯ ಅರ್ಧದಷ್ಟು ಕಡಿಮೆಯಾದರೆ , ಅದರ ಮೂಲಕ ಹರಿಯುವ ವಿದ್ಯುತ್ ನಲ್ಲಿ ಆಗುವ ಬದಲಾವಣೆಗಳು ಏನು ?
ಓಮನ ನಿಯಮದ ಪ್ರಕಾರ V = IR
I = V / R1
ವಿಭವಾಂತರವು ಅರ್ಧದಷ್ಟು ಕಡಿಮೆ ಆದರೆ
ವಿಭವಾಂತರ V ‘ = V / 2
ರೋಧವು ಸ್ಥಿರಾಂಕವಾಗಿರುತ್ತದೆ , ಆದ್ದರಿಂದ ವಿದ್ಯುತ್ ಪ್ರವಾಹವು I’ = V / R
= ( V / 2 ) / R
= ( 1/2 ) ( V / R )
ಹೀಗಾಗಿ = ( 1/2 ) 1 = 1/2
ಆದ್ದರಿಂದ ವಿದ್ಯುತ್ ಆವಯವದ ಮೂಲಕ ಹರಿಯುವ ವಿದ್ಯುತ್ ಅರ್ಧದಷ್ಟು ಆಗುತ್ತದೆ .
10.ವಿದ್ಯುತ್ ಟೋಸ್ಟರ್ ಮತ್ತು ವಿದ್ಯುತ್ ಇಸ್ತ್ರಿ ಪೆಟ್ಟಿಗೆಯ ಸುರುಳಿಯನ್ನು ಶುದ್ಧ ಲೋಹದ ಬದಲಿಗೆ ಮಿಶ್ರಲೋಹಗಳಿಂದ ತಯಾರಿಸಿರುತ್ತಾರೆ ಏಕೆ?
ಶುದ್ಧ ಲೋಹಗಳಿಗಿಂತ ಮಿಶ್ರಲೋಹಗಳ ರೋಧವು ಅಧಿಕವಾಗಿ ಇರುತ್ತದೆ.ಮತ್ತು ಅವು ಸುಲಭದಲ್ಲಿ ಕರಗುವುದಿಲ್ಲ.ರೋಧವು ಅಧಿಕ ಆಗಿರುವುದರಿಂದ ಬೇಗನೆ ಬಿಸಿಯಾಗುತ್ತವೆ .
11. ಕೋಷ್ಟಕ 12.2 ರ ದತ್ತಾಂಶಗಳನ್ನು ಬಳಸಿಕೊಂಡು ಈ ಕೆಳಗಿನ ಪ್ರಶ್ನೆಗಳನ್ನು ಉತ್ತರಿಸಿರಿ .
ಅ ) ಕಬ್ಬಿಣ ಮತ್ತು ಪಾದರಸಗಳಲ್ಲಿ ಉತ್ತಮವಾಗಿರುವ ವಾಹಕ ಯಾವುದು ?
ಕಬ್ಬಿಣದ ರೋಧ = 10.0 x 10 -8 ೧
ಪಾದರಸದ ರೋಧ = 94.0 x 10 -8 ೧
ಕಬ್ಬಿಣದ ರೋಧಕ್ಕಿಂತ ಪಾದರಸದ ರೋಧ ಅಧಿಕವಾಗಿರುವ ಕಾರಣ ಕಬ್ಬಿಣವು ಪಾದರಸಕ್ಕಿಂತ ಉತ್ತಮವಾಗಿರುವ ವಾಹಕವಾಗಿದೆ .
ಆ ) ಯಾವ ವಸ್ತುವು ಅತ್ಯುತ್ತಮವಾದ ವಾಹಕವಾಗಿದೆ ?
ಬೆಳ್ಳಿಯ ರೋಧವು ಅತಿ ಕಡಿಮೆಯಿರುವ ಕಾರಣ ಇದು ಅತ್ಯುತ್ತಮ ವಾಹಕವಾಗಿದೆ .
12. 2V ನ ಮೂರು ಶುಷ್ಕಕೋಶಗಳು , ಒಂದು ರೋಧಕ 5 ೧ , ಒಂದು ರೋಧಕ 8 ೧ , ಒಂದು ರೋಧಕ 12 ೧ ಮತ್ತು ಕೀ ಇವುಗಳನ್ನು ಸರಣಿಯ ಕ್ರಮದಲ್ಲ ಸಂಯೋಜಿಸಿ ಒಂದು ವಿದ್ಯುತ್ ಮಂಡಲದ ರೇಖಾ ಚಿತ್ರಗಳನ್ನು ರಚಿಸಿರಿ .

2V ನ ಮೂರು ಶುಷ್ಕಕೋಶವನ್ನು ಸರಣಿಯಲ್ಲಿ ಜೋಡಿಸಿದಾಗ ಒಟ್ಟು ವಿಭವಾಂತರವು 6V ಆಗುವುದು .
13. ಪ್ರಶ್ನೆಯೊಂದರಲ್ಲಿನ ರೇಖಾ ಚಿತ್ರವನ್ನು ಮತ್ತೊಮ್ಮೆ ರಚಿಸಿರಿ.ರೋಧಕದಲ್ಲಿ ಪ್ರವಹಿಸುತ್ತಿರುವ ವಿದ್ಯುತ್ ಪ್ರವಾಹವನ್ನು ಅಳೆಯುವ ಅಮೀಟರನ್ನು ಮತ್ತು 12 ೧ ನ ರೋಧಕದ ತುದಿಗಳ ನಡುವಿನ ವಿಭವಾಂತರವನ್ನು ಅಳೆಯಲು ವೋಲ್ಟಮೀಟರನ್ನು ಜೋಡಿಸಿರಿ.ಅಮೀಟರ್ ಮತ್ತು ವೋಲ್ಟಮಿಟರ್ ನಲ್ಲಿಯ ಸೂಚ್ಯಂಕವು ಎಷ್ಟಿರಬಹುದು ?

ವಿಭವಾಂತರವನ್ನು ಅಳೆಯಲು ಅಮೀಟರನ್ನು ರೋಧಕಕ್ಕೆ ಸಮಾಂತರವಾಗಿ ಜೋಡಿಸಿದೆ.ಅಮೀಟರ್ ಮತ್ತು ವೋಲ್ಟಮೀಟರ್ ನ ಸೂಚ್ಯಂಕವನ್ನು ಪಡೆಯಲು ಓಮನ ನಿಯಮ ಉಪಯೋಗಿಸಬೇಕು .
ಓಮನ ನಿಯಮದ ಪ್ರಕಾರ V = IR ,
ವಿಭವಾಂತರವು V = GV ಆಗಿದೆ .
ರೋಧಕವು R = 5 + 8 + 12 = 252೧
I = V / R i.e 6 / 25 = 0.24A
ಅಮೀಟರಿನ ಸೂಚ್ಯಂಕವು 0.24 A ಮತ್ತು ವೋಲ್ಟಮೀಟರಿನ ಸೂಚ್ಯಂಕವು 2.88 V ಆಗಿರುವುದು .
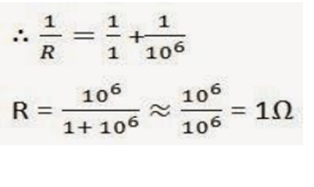
14.ಕೆಳಗಿನವುಗಳನ್ನು ಸಮಾಂತರವಾಗಿ ಸಂಪರ್ಕಿಸಿದಾಗ ಸಮಾನ ರೋಧವನ್ನು ನಿರ್ಣಯಿಸಿರಿ.


15. ಒಂದು ವಿದ್ಯುತ್ ದೀಪದ ರೋಧ 100೧ , ಒಂದು ಟೋಸ್ಟರ್ ನ ರೋಧ 500 , ಹಾಗು ನೀರಿನ ಫಿಲ್ಟರ್ ನ ರೋಧ 500೧.ಇವುಗಳನ್ನು 220V ಆಕರಕ್ಕೆ ಸಮಾಂತರ ಆಗಿ ಜೋಡಿಸಲಾಗಿದೆ.ಈ ಮೂರು ಉಪಕರಣಗಳು ಬಳಸುವ ವಿದ್ಯುತ್ ಪ್ರವಾಹವನ್ನು ಬಳಸುವ ಒಂದು ಇಸ್ತ್ರಿಪೆಟ್ಟಿಗೆಯನ್ನು ಅದೇ ಆಕರಕ್ಕೆ ಜೋಡಿಸಲಾಗಿದೆ.ಈ ಇಸ್ತ್ರಿಪೆಟ್ಟಿಗೆಯ ರೋಧ ಮತ್ತು ಅದರ ಮೂಲಕ ಪ್ರವಹಿಸುವ ವಿದ್ಯುತ್ ಪ್ರಮಾಣ ಎಷ್ಟು ?
ವಿದ್ಯುತ್ ದೀಪದ ರೋಧ = 100೧
ಟೋಸ್ಟರ್ ನ ರೋಧ = 50೧
ನೀರಿನ ಫಿಲ್ಟರ್ ನ ರೋಧ = 500೧
ವಿಭವಾಂತರ V = 220V
ಇವುಗಳನ್ನು ಸಮಾಂತರವಾಗಿ ಚಿತ್ರದಲ್ಲಿ ತೋರಿಸಿರುವ ಹಾಗೆ ಸಂಪರ್ಕಿಸಲಾಗಿದೆ .
ಈ ಮಂಡಲದ ಸಮಾಂತರ ರೋಧವು R ಆಗಿರಲಿ ,
1/ R=1 /R1 +1 / R2 + 1 / R3 = 1 / 100+1 / 50 + 1/500 ಆಗಿದೆ.
ಓಮನ ನಿಯಮದ ಪ್ರಕಾರ ,
V = IR ‘
R ‘ = V / I
ಮಂಡಲದಲ್ಲಿ ಪ್ರವಹಿಸುತ್ತಿರುವ ವಿದ್ಯುತ್ ಪ್ರವಾಹ 1 ಆದರೆ ,I=220 / 500 / 16-7.04A 7.04A ವಿದ್ಯುತ್ ಪ್ರವಾಹವನ್ನು ಮೂರು ಉಪಕರಣಗಳು ಬಳಸುತ್ತವೆ.

ಆದ್ದರಿಂದ ಅದೇ ಆಕರಕ್ಕೆ ಸಂಪರ್ಕಿಸಿರುವ ಇಸ್ತ್ರಿ ಪೆಟ್ಟಿಗೆಯು ಕೂಡಾ 7.04 A ವಿದ್ಯುತ್ ಪ್ರವಾಹವನ್ನು ಬಳಸುತ್ತಿದೆ. ಇಸ್ತ್ರಿ ಪೆಟ್ಟಿಗೆಯ ರೋಧವು R ‘ ಆಗಿರಲಿ ,
ಓಮನ ನಿಯಮದ ಪ್ರಕಾರ ,
V= IR ‘
R=V/R
=220/7.04
=31.251
ಆದ್ದರಿಂದ ಇಸ್ತ್ರಿ ಪೆಟ್ಟಿಗೆಯ ರೊಧವು 31.25೧ ಆಗಿರುತ್ತದೆ.ಮತ್ತು ಅದರ ಮೂಲಕ ಪ್ರವಹಿಸುತ್ತಿರುವ ವಿದ್ಯುತ್ ಪ್ರವಾಹವು 7.04A ಆಗಿರುತ್ತದೆ .
16. ವಿದ್ಯುತ್ ಉಪಕರಣಗಳನ್ನು ಸರಣಿ ಕ್ರಮದಲ್ಲಿ ಜೋಡಿಸುವ ಸ್ಥಾನದಲ್ಲಿ ಸಮಾಂತರವಾಗಿ ಜೋಡಿಸಿರುವುದರಿಂದ ಆಗುವ ಪ್ರಯೋಜನಗಳೇನು ?
ಸಮಾಂತರ ಮಂಡಲವು ವಿದ್ಯುತ್ ಉಪಕರಣದ ಮೂಲಕ ವಿದ್ಯುತ್ ಪ್ರವಾಹವನ್ನು ವಿಭಜಿಸುತ್ತದೆ . ನಿರ್ದಿಷ್ಟವಾಗಿ ಪ್ರತಿಯೊಂದು ವಿದ್ಯುತ್ ಉಪಕರಣವು ವಿವಿಧ ರೋಧವನ್ನು ಹೊಂದಿರುವಾಗ ಮತ್ತು ಸರಿಯಾಗಿ ಕಾರ್ಯನಿರ್ವಹಿಸಲು ವಿಭಿನ್ನ ವಿದ್ಯುತ್ ಪ್ರವಾಹದ ಅವಶ್ಯವಿರುವ ಸಂದರ್ಭಗಳಲ್ಲಿ ಇದು ಸಹಾಯಕವಾಗಿದೆ.ಸಮಾಂತರ ಮಂಡಲದಲ್ಲಿನ ಒಟ್ಟು ರೋಧವನ್ನು ಕಡಿಮೆ ಮಾಡಲು ಸಾಧ್ಯ .
“electricity class 10 Notes
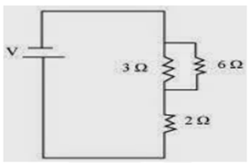
17. 2೧,3೧ ಮತ್ತು 6೧ ರೋಧಗಳನ್ನು ಹೊಂದಿರುವ ಮೂರು ರೋಧಕಗಳನ್ನು ಯಾವ ರೀತಿ ಜೋಡಿಸುವುದರಿಂದ ಅವುಗಳ ಸಂಯೋಜನೆಯ ಒಟ್ಟು ರೋಧವು ಅ ) 4೧ ಆ ) 1೧ ಆಗಿರುವುದು . ?

2೧,3೧ ಮತ್ತು 6೧ ಎಂಬ ಮೂರು ರೋಧಕಗಳು ಇವೆ . ಈ ಮುಂದಿನ ಚಿತ್ರವು ಮೂರು ರೋಧಕಗಳ ಜೋಡಣೆ ತೋರಿಸುತ್ತದೆ . ಇಲ್ಲಿ 3೧ ಮತ್ತು 6೧ ರೋಧಕವನ್ನು ಸಮಾಂತರವಾಗಿ ಜೋಡಿಸಲಾಗಿದೆ . ಆದ್ದ ಕಾರಣ ಒಟ್ಟು ರೋಧವು ,

ಈ 2೧ ರೋಧಕವನ್ನು 2೧ ರೋಧಕಗಳೋಂದಿಗೆ ಸರಣಿಯಲ್ಲಿ ಜೋಡಿಸಿದೆ . ಆದ್ದರಿಂದ ಮಂಡಲದ ಸಮಾನ ರೋಧವು 2೧+ 2೧ = 4೧ ಆದ್ದರಿಂದ ಮಂಡಲದ ಒಟ್ಟು ರೋಧವು 4೧ ಆಗುವುದು .
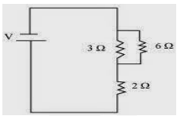
ಆ ) ಈ ಕೆಳಗಿನ ಮಂಡಲ ಚಿತ್ರವು ಮೂರು ರೋಧಕಗಳ ಜೋಡಣೆಗಳನ್ನು ತೋರಿಸುತ್ತದೆ .

ಎಲ್ಲಾ ರೋಧಕಗಳನ್ನು ಸರಣಿಯಲ್ಲಿ ಜೋಡಿಸಲಾಗಿದೆ. ಆದ್ದರಿಂದ ಮಂಡಲದ ಸಮಾನ ರೋಧವು

ಆದ್ದರಿಂದ ಮಂಡಲದ ಸಮಾನ ರೋಧ = 1೧
10th Class Science Chapter 12 Notes Question Answer Pdf Electricity class 10 Notes | class 10 electricity chapter | class x electricity notes | electricity class 10th notes
ಅಭ್ಯಾಸದ ಪ್ರಶೋತ್ತರಗಳು ಈ ಕೆಳನಂತಿದೆ. “electricity class 10 Notes
1. ರೋಧ R ಹೊಂದಿರುವ ಒಂದು ತಂತಿಯನ್ನು ಐದು ಸಮ ಭಾಗಗಳು ಆಗಿ ಕತ್ತರಿಸಲಾಗಿದೆ . ನಂತರ ಈ ಭಾಗಗಳನ್ನು ಸಮಾನಾಂತರವಾಗಿ ಸಂಪರ್ಕಿಸಲಾಗುತ್ತದೆ. ಈ ಸಂಯೋಜನೆಯ ರೋಧವು R ಆದರೆ RR ” ನ ಅನುಪಾತವು ?
d ) 25
2.ಈ ಕೆಳಗಿನ ಯಾವ ಪದವು ಮಂಡಲದಲ್ಲಿ ವಿದ್ಯುತ್ ಸಾಮರ್ಥ್ಯವನ್ನು ಪ್ರತಿನಿಧಿಸುವುದಿಲ್ಲ ?
b ) IR
3.ಒಂದು ವಿದ್ಯುತ್ ಬಲ್ಸ್ ನ್ನು 220V ಮತ್ತು 100W ಎಂದು ನಮೂದಿಸಲಾಗಿದೆ , ಈ ಬಲ್ಬ 110V ನಲ್ಲಿ ಕಾರ್ಯನಿರ್ವಹಿಸಿದರೆ ಅದರಲ್ಲಿ ಬಳಕೆಯಾಗಿರುವ ಸಾಮರ್ಥ್ಯವು ಎಷ್ಟು ಆಗಿದೆ?
d ) 25W
4. ಸಮಾನವಾದ ಉದ್ದ ಮತ್ತು ವ್ಯಾಸವುಳ್ಳ ಒಂದೇ ರೀತಿಯ ಎರಡು ವಸ್ತುಗಳನ್ನು ಮೊದಲು ಸರಣಿಯ ಕ್ರಮದಲ್ಲಿ ನಂತರ ಸಮಾಂತರ ಕ್ರಮದಲ್ಲಿ ಒಂದೇ ವಿಭವಾಂತರಕ್ಕೆ ಅಡ್ಡಲಾಗಿ ಸಂಪರ್ಕಿಸಲಾಗಿದೆ . ಸರಣಿ ಕ್ರಮದಲ್ಲಿ ಮತ್ತು ಸಮಾಂತರ ಕ್ರಮದಲ್ಲಿ ಉಂಟು ಮಾಡುವ ಶಾಖದ ಅನುಪಾತ .
c ) 4:15
5. ಎರಡು ತುದಿಗಳ ನಡುವೆ ವಿಭವಾಂತರವನ್ನು ಅಳತೆಮಾಡಲು ವೋಲ್ಟ್ ಮೀಟರ್ ಅನ್ನು ಹೇಗೆ ಸಂಪರ್ಕಿಸಬೇಕು ?
ವಿಭವಾಂತರವನ್ನು ಅಳತೆ ಮಾಡಲು ವೋಲ್ಟ್ ಮೀಟರ್ ನ್ನು ಸಮಾಂತರವಾಗಿ ಜೋಡಿಸಲಾಗುವುದು .
6. ಒಂದು ತಾಮ್ರದ ತಂತಿಯು 0.5 ಮಿ.ಮಿ ವ್ಯಾಸವನ್ನು ಮತ್ತು 1.6X10 ಮೀ ರೋಧಕತೆಯನ್ನು ಹೊಂದಿದ್ದು. ಅದರ ರೋಧ 109 ನಷ್ಟ ಆಗಲು ಅದರ ಉದ್ದ ಎಷ್ಟಿರಬೇಕು ? ತಂತಿಯ ವ್ಯಾಸವನ್ನು ದ್ವಿಗುಣಗೊಳಿಸಿದರೆ ಅದರ ರೋಧವು ಎಷ್ಟು ಬದಲಾಗುವುದು . ?
ತಂತಿಯ ಅಡ್ಡಕೊಯ್ತದ ವಿಸ್ತೀರ್ಣ A = n ( d / 2 ) ²
ವ್ಯಾಸ = 0.5 ಮಿ.ಮಿ = 0.0005 ಮೀಟರ್
ರೋಧವು R = 10೧
ಆದ್ದರಿಂದ ನಮಗೆ ಗೊತ್ತಿರುವ ಹಾಗೆ , R = p 1 / A
I=RA / p ( A = nd² / 4 )
= 10X3.14X ( 0.0005 ) ² / 1.6X10-8 X4
= 10X3.14X25 / 4X1.6
ಹೀಗಾಗಿ = 122.72m
ಆದ್ದರಿಂದ ತಂತಿಯ ಉದ್ದವು 122.72m .
ತಂತಿಯ ವ್ಯಾಸವನ್ನು ದ್ವಿಗುಣಗೊಳಿಸಿದರೆ ಅಂದರೆ ಅದರ ವ್ಯಾಸವು = 2X0.5 = 1 ಮಿ.ಮಿ = 0.001 ಮೀ
ರೋಧವು R ‘ ಎಂದು ತೆಗೆದುಕೊಂಡಾಗ
R ‘ = p V/A
1.6 X 10 ” X 122.72 / 3.14(1/2 x10-3 ) 2
= 250×10² = 2.5೧
ಆದ್ದರಿಂದ ತಂತಿ ವ್ಯಾಸವನ್ನು ದ್ವಿಗುಣಗೊಳಿಸಿದರೆ ಅದರ ರೋಧವು 2.5೧ ಆಗುವುದು .
7.ಒಂದು ರೋಧಕದ ನಡುವೆ ಇರುವ ವಿಭವಾಂತರ V ಮತ್ತು ಅದಕ್ಕನುಗುಣವಾಗಿ ಅದರಲ್ಲಿ ಪ್ರವಹಿಸುವ ವಿದ್ಯುತ್ ಪ್ರವಾಹಗಳ ವಿವಿಧ ರೀತಿಯ ಮೌಲ್ಯಗಳನ್ನು ನೀಡಲಾಗಿದೆ .

V ಮತ್ತು I ಗಳ ನಡುವೆಯಿರುವ ರೇಖಾನಕ್ಷೆಯನ್ನು ರಚಿಸಿ ಈ ರೋಧಕದ ರೋಧವನ್ನು ಕಂಡುಹಿಡಿಯಿರಿ .

ರೇಖಾ ನಕ್ಷೆಯಲ್ಲಿ ಚಿತ್ರಿಸಿರುವಂತೆ , ರೋಧವು R ,
ಸ್ಲೊಪ್ 1/R = BC / AC = 2 / 6.8
R = 6.8 / 2= 3.4೧ ಆದ್ದರಿಂದ ರೋಧಕದ ರೋಧವು 3.4೧ ಆಗಿದೆ .
8. 12V ಬ್ಯಾಟರಿಯನ್ನು ಒಂದು ರೋಧಕದ ಜೊತೆ ಸಂಪರ್ಕಿಸಿದಾಗ ಅದರಲ್ಲಿನ ವಿದ್ಯುತ್ ಪ್ರವಾಹವು 2.5mA ಆಗಿರುತ್ತದೆ. ಆಗ ರೋಧಕದ ರೋಧವನ್ನು ಕಂಡುಹಿಡಿಯಿರಿ ,
ಓಮನ ನಿಯಮದ ಪ್ರಕಾರ ,
R = V/I
V=12 ಮತ್ತು I=2.5mA=2.5×10-3A
R=12/2.5×10-3=4.8×10-3೧=4.8೧ ಆಗಿದೆ.
9.9V ಬ್ಯಾಟರಿಯನ್ನು 0.2೧,0.3೧,0.4೧,0.5೧ ಮತ್ತು 12೧ ಗಳ ರೋಧಕದೊಂದಿಗೆ ಸರಣಿ ಕ್ರಮದಲ್ಲಿ ಸಂಪರ್ಕಿಸಲಾಗಿದೆ . 12೧ ರೋಧದ ಮೂಲಕ ಪ್ರವಹಿಸುವ ವಿದ್ಯುತ್ ಪ್ರವಾಹ ಎಷ್ಟು ಆಗಿದೆ ?
ಆದ್ದರಿಂದ 12೧ ರೋಧದ ಮೂಲಕ ಪ್ರವಹಿಸುವ ವಿದ್ಯುತ್ ಪ್ರವಾಹ 0.671A ಆಗಿರುವುದು .
10.1762 ರೋಧದ ಎಷ್ಟು ರೋಧಕಗಳನ್ನು ಸಮಾನಾಂತರ ಕ್ರಮದಲ್ಲಿ 220V ವಿದ್ಯುತ್ ಮೂಲಕ್ಕೆ ಸಂಯೋಜಿಸಿದಾಗ 5A ವಿದ್ಯುತ್ ಪ್ರವಾಹ ಉತ್ಪತ್ತಿಯಾಗುತ್ತದೆ . ?
176೧ ರೋಧದ x ರೋಧಕವನ್ನು ಸಮಾನಾಂತರ ಕ್ರಮದಲ್ಲಿ ಜೋಡಿಸಿದಾಗ , ಸಮಾನ ರೋಧವು ಓಮನ ನಿಯಮದ ಪ್ರಕಾರ

11. ನೀವುಗಳು 62 ನ ಮೂರು ರೋಧಕಗಲನ್ನು ಹೇಗೆ ಸಂಯೋಜಿಸಿ ಅದರ ಸಂಯೋಜನೆಯ ರೋಧವು i ) 9 ೧ ii ) 4೧ ಆಗಿರುವ ಹಾಗೆ ಮಾಡುವಿರಿ ?
ರೋಧಕಗಳನ್ನು ಸರಣಿಯಲ್ಲಿ ಜೋಡಿಸಿದಾಗ ಒಟ್ಟು ಸಮಾನ ರೋಧವು 6೧+ 6೧+ 6೧ = 18೧ ಆಗುತ್ತದೆ . ಆದರೆ ಇದು ನಮಗೆ ಅಗತ್ಯವಿರುವುದಿಲ್ಲ , ರೋಧಕಗಳನ್ನು ಸಮಾಂತರವಾಗಿ ಜೋಡಿಸಿದಾಗ ಒಟ್ಟು ಸಮಾನ ರೋಧವು 6 / 2 = 3೧ ಆಗಿರುತ್ತದೆ . ಇದು ಕೂಡಾ ನಮಗೆ ಅಗತ್ಯವಿರುವುದಿಲ್ಲ.ಆದ್ದರಿಂದ ನಾವು ಎರಡು ರೋಧಗಳನ್ನು ಸರಣಿಯಲ್ಲಿ ಅಥವಾ ಸಮಾಂತರವಾಗಿ ಜೊಡಿಸಬೆಕು .

12 , 220V ವಿದ್ಯುತ್ ಸರಬರಾಜು ಮಾರ್ಗದಲ್ಲಿ ಬಳಸುವ ಹಲವಾರು ಎಲೆಕ್ನಿಕ್ ಬಲ್ಬಗಳು 10W ಸಾಮರ್ಥ್ಯವನ್ನು ಹೊಂದಿರುವಂತೆ ವಿನ್ಯಾಸಗೊಳಿಸಲಾಗಿದೆ . 220V ಸರಬರಾಜು ಮಾರ್ಗದಲ್ಲಿ ಗರಿಷ್ಠ ವಿತರಣಾ ವಿದ್ಯುತ್ ಪ್ರವಾಹ 5A ಇದ್ದಾಗ ಅದರ ಎರಡು ತುದಿಗಳಲ್ಲಿ ಸಮಾಂತರವಾಗಿ ಎಷ್ಟು ಎಲೆಕ್ನಿಕ್ ಬಲ್ಟ್ ವನ್ನು ಸಂಯೋಜಿಸಬೇಕು ?
ಎಲೆಕ್ಟ್ರಿಕ್ ಬಲ್ಪ್ ನ ರೋಧವು R1= ?
ವಿಭವಾಂತರವು V = 220v

13.ಒಂದು ವಿದ್ಯುತ್ ಓವನ್ ನ ಬಿಸಿ ತಟ್ಟೆಯನ್ನು 220V ವಿದ್ಯುತ್ ತಂತಿಗೆ ಜೋಡಿಸಲಾಗಿದೆ . ಅದು A ಮತ್ತು B ಎಂಬ ಎರಡು ಸುರುಳಿ ರೋಧಕಗಳನ್ನು ಹೊಂದಿದೆ ಪ್ರತಿ ಸುರುಳಿಯ ರೋಧವು 24 ಆಗಿರುತ್ತದೆ . ಇವುಗಳನ್ನು ಪ್ರತ್ಯೇಕವಾಗಿ ಸರಣಿಕ್ರಮದಲ್ಲಿ ಅಥವಾ ಸಮಾಂತರ ಕ್ರಮದಲ್ಲಿ ಬಳಸಬಹುದಾಗಿದೆ , ಈ ಮೇಲಿನ ಮೂರು ಪ್ರಕರಣಗಳಲ್ಲಿ ಪ್ರವಹಿಸಿದ ವಿದ್ಯುತ್ ಪ್ರವಾಹ ಎಷ್ಟು ಆಗಿದೆ ?

ಆದ ಕಾರಣ ಸುರುಳಿಗಳನ್ನು ಸಮಾಂತರವಾಗಿ ಬಳಸಿದಾಗ ಪ್ರವಹಿಸುವ ವಿದ್ಯುತ್ 18.33A ಆಗಿರುತ್ತದೆ .
14. ಕೆಳಗಿನ ಪ್ರತಿಯೊಂದು ವಿದ್ಯುತ್ ಮಂಡಲದಲ್ಲಿರುವ 2೧ ನ ರೋಧಕದಲ್ಲಿ ವ್ಯಯವಾಗುವ ಸಾಮರ್ಥ್ಯವನ್ನು ಹೋಲಿಕೆ ಮಾಡಿರಿ . i ) 1೧ಮತ್ತು 2೧ ರೋಧಕಗಳನ್ನು 6V ಬ್ಯಾಟರಿ ಜೊತೆ ಸರಣಿಕ್ರಮದಲ್ಲಿ ಜೋಡಿಸಿದಾಗ , ಮತ್ತು ii ) 1೧ ಮತ್ತು 2೧ ರೋಧಕಗಳನ್ನು 4V ಬ್ಯಾಟರಿಯೊಂದಿಗೆ ಸಮಾಂತರ ವಾದ ಕ್ರಮದಲ್ಲಿ ಜೋಡಿಸಿದಾಗ

15. ಎರಡು ದೀಪಗಳು 220V ನಲ್ಲಿ 100W ಮತ್ತು ಮತ್ತೊಂದು 220V ನಲ್ಲಿ 60W ದರವನ್ನು ಹೊಂದಿದೆ, ಇದನ್ನು ವಿದ್ಯುತ್ ನ ಮೂಲಕ್ಕೆ ಸಮಾಂತರವಾಗಿ ಜೋಡಿಸಲಾಗಿದೆ . ಸರಬರಾಜಾಗುತ್ತಿರುವ ವೋಲ್ವೇಜ್ 220V ಆದಾಗ ಆ ತಂತಿಗಳಲ್ಲಿನ ವಿದ್ಯುತ್ ಪ್ರವಾಹ ಎಷ್ಟಿದೆ?
ಎರಡು ದೀಪಗಳನ್ನು ಸಮಾಂತರವಾಗಿ ಜೋಡಿಸಲಾಗಿದೆ. ಆದ ಕಾರಣ ಪ್ರತಿಯೊಂದು ದೀಪದ ವಿಭವಾಂತರವು 220V ಆಗಿದೆ . 100W ನ ದೀಪದಲ್ಲಿ ಪ್ರವಹಿಸುತ್ತಿರುವ ವಿದ್ಯುತ್ ಪ್ರವಾಹವು
P – VI , I = P / V , 60 / 220A ಆಗಿದೆ.
ಆದ್ದರಿಂದ ತಂತಿಯಲ್ಲಿನ ಪ್ರವಹಿಸುತ್ತಿರುವ ವಿದ್ಯುತ್ ಪ್ರವಾಹವು = 100 / 220 + 60 / 220 = 0.727A .
16. 250W ಟಿ.ವಿ ಯು ಒಂದು ಗಂಟೆ ಅಥವಾ 1200W ಟೋಸ್ಟರ್ 10 ನಿಮಿಷಗಳ ಕಾಲ ಬಳಸಿದರೆ ಯಾವುದರಲ್ಲಿ ಅತೀ ಹೆಚ್ಚು ಶಕ್ತಿಯು ಬಳಕೆಯಾಗುತ್ತದೆ ?
ಟಿ.ವಿ ಯು ಬಳಸಿದ ಶಕ್ತಿಯನ್ನು ಈ ಕೆಳಗಿನ ಸೂತ್ರದಿಂದ ಕಂಡುಹಿಡಿಯಬಹುದಾಗಿದೆ .
H = Pt , P ಎಂದರೆ ಟಿ.ವಿ ಯ ಸಾಮರ್ಥ್ಯ , t = ಸಮಯ
250W ನ ಟಿ.ವಿ ಯು ಒಂದು ಗಂಟೆಯಲ್ಲಿ ಬಳಸಲಾದ ಶಕ್ತಿ = 250 x3600 = 9×105 ) .
1200W ನ ಟೋಸ್ಟರ್ 10 ನಿಮಿಷದಲ್ಲಿ ಬಳಸಲಾದ ಶಕ್ತಿ = 1200 x600 = 7.2×105 ) .
ಆದ್ದರಿಂದ 250W ನ ಟಿ.ವಿ ಯು ಒಂದು ಗಂಟೆಯಲ್ಲಿ ಬಳಸಲಾದ ಶಕ್ತಿಯು 1200W ನ ಟೋಸ್ಟರ್ 10 ನಿಮಿಷದಲ್ಲಿ ಬಳಸಿದ ಶಕ್ತಿಗಿಂತ ಹೆಚ್ಚು ಆಗಿದೆ .
17. 8೧ ರೋಧವನ್ನು ಹೊಂದಿರುವ ಇಲೆಕ್ಟ್ರಿಕ್ ಹೀಟರ್ ವಿದ್ಯುತ್ ಮೈನ್ ನಿಂದ 2 ಗಂಟೆಗಳವರೆಗೆ 15A ವಿದ್ಯುತ್ ಪ್ರವಾಹವನ್ನು ಪಡೆಯಲಾಗುತ್ತದೆ . ಇಲೆಕ್ಟ್ರಿಕ್ ಹೀಟರ್ ನಲ್ಲಿ ಉತ್ಪತ್ತಿ ಆದ ಉಷ್ಟದ ದರವನ್ನು ಕಂಡುಹಿಡಿಯಿರಿ .
ಒಂದು ಉಪಕರಣದಲ್ಲಿ ಉಂಟುಮಾಡುವ ಉಷ್ಣದ ದರವನ್ನು P = IFR ಎಂಬ ಸೂತ್ರದಿಂದ ಕಂಡುಹಿಡಿಯಬಹುದು.
ಇಲ್ಲಿ ಇಲೆಕ್ಟ್ರಿಕ್ ಹೀಟರ್ ನ ರೋಧವು R = 8೧
ಬಳಸಿದ ವಿದ್ಯುತ್ ಪ್ರವಾಹವು । = 15A
P = ( 15 )2 2×8 = 1800J / s ಆಗಿದೆ.
ಆದ್ದರಿಂದ ಇಲೆಕ್ಟ್ರಿಕ್ ಹೀಟರ್ ನಲ್ಲಿ ಉಂಟಾಗುವ ಉಷ್ಣದ ದರ 1800 ) / s .
18.ಕೆಳಗಿನವುಗಳನ್ನು ವಿವರಿಸಿ
a ) ವಿದ್ಯುತ್ ದೀಪಗಳ ತಂತುಗಳಲ್ಲಿ ಟಂಗ್ ಸ್ಟನ್ ಅನ್ನು ಬಹುತೇಕವಾಗಿ ಬಳಸಲಾಗುವುದು . ಏಕೆ ?
ಟಂಗ್ ಸ್ಟನ್ ನ ಕರಗುವ ಬಿಂದುವು ತುಂಬನೆ ಅಧಿಕವಾಗಿದೆ ಮತ್ತು ಅದು ಅಧಿಕ ರೋಧವನ್ನು ಹೊಂದಿದೆ. ಉಷ್ಣವು ನೀಡಿದಾಗ ಸುಲಭವಾಗಿ ಕರಗುವುದಿಲ್ಲ .
b ) ಬ್ರೆಡ್ ಟೋಸ್ಟರ್ ಮತ್ತು ಇಲೆಕ್ಟ್ರಿಕ್ ಇಸ್ತ್ರಿಪೆಟ್ಟಿಗೆಯಂತಹ ವಿದ್ಯುತ್ ತಾಪನ ಸಾಧನಗಳಲ್ಲಿರುವ ವಾಹಕಗಳನ್ನು ಶುದ್ಧಲೋಹಕ್ಕಿಂತಲೂ ಮಿಶ್ರಲೋಹಗಳಿಂದ ತಯಾರಿಸಿರುತ್ತಾರೆ ಏಕೆ ? ತಿಳಿಸಿ.
ಏಕೆಂದರೆ ಮಿಶ್ರಲೋಹಗಳ ರೋಧಶೀಲತೆಯು ಲೋಹಗಳಿಗಿಂತ ಹೆಚ್ಚಿರುತ್ತದೆ.ಇದರಿಂದ ಅಧಿಕ ಉಷ್ಣ ಉಂಟಾಗುತ್ತದೆ .
c ) ಗೃಹಬಳಕೆಯ ವಿದ್ಯುತ್ ಮಂಡಲಗಳ ಜೋಡಣೆಯಲ್ಲಿ ಸರಣೀ ಕ್ರಮದ ವ್ಯವಸ್ಥೆಯನ್ನು ಬಳಸಲಾಗುವುದಿಲ್ಲ ಏಕೆ ?
ಸರಣಿ ಕ್ರಮದಲ್ಲಿ ಜೋಡಿಸಿದ ಮಂಡಲದಲ್ಲಿ ವೊಲೇಜ್ ವಿಭಜನೆ ಆಗುತ್ತದೆ.ಪ್ರತಿ ಉಪಕರಣ ಕಡಿಮೆ ವೋಲ್ವೇಜ್ ಪಡೆಯುವ ಕಾರಣ ವಿದ್ಯುತ್ ಪ್ರವಾಹವು ಕಡಿಮೆಯಾಗುತ್ತಾ ಹೋಗಿ ಕೊನೆಗೆ ಉಪಕರಣವು ಬಿಸಿಯಾಗುತ್ತದೆ ಮತ್ತು ಸರಿಯಾಗಿ ಕಾರ್ಯವನ್ನು ನಿರ್ವಹಿಸುವುದಿಲ್ಲ.ಆದ್ದರಿಂದ ಗೃಹ ಬಳಕೆಯ ವಿದ್ಯುತ ಮಂಡಲದಲ್ಲಿ ಸರಣಿ ಕ್ರಮವನ್ನು ಉಪಯೋಗಿಸಲಾಗುವುದಿಲ್ಲ .
d ) ತಂತಿಯ ರೋಧವು ಅದರ ಅಡ್ಡಕೊಯ್ಯದ ವಿಸ್ತೀರ್ಣದೊಂದಿಗೆ ಹೇಗೆ ಬದಲಾಗುವುದು?
ಅಡ್ಡಕೊಯ್ತದ ವಿಸ್ತೀರ್ಣವು ಹೆಚ್ಚಾದಂತ ರೋಧವು ಕಡಿಮೆಯಾಗುತ್ತದೆ . ಮತ್ತು ಅಡ್ಡಕೊಯ್ದದ ವಿಸ್ತೀರ್ಣವು ಕಡಿಮೆಯಾ ಆದಂತೆ ರೋಧವು ಅಧಿಕವಾಗುತ್ತದೆ .
e ) ವಿದ್ಯುತ್ ಪ್ರಸರಣದಲ್ಲಿ ಸಾಮಾನ್ಯವಾಗಿ ತಾಮ್ರ ಮತ್ತು ಅಲ್ಯುಮಿನಿಯಂ ತಂತಿಗಳನ್ನು ಬಳಸಲಾಗುವುದು ಏಕೆ ? ತಿಳಿಸಿ
ತಾಮ್ರ ಮತ್ತು ಅಲ್ಯುಮಿನಿಯಂ ಉತ್ತಮ ವಿದ್ಯುತ್ ವಾಹಕಗಳು ಮತ್ತು ಅವುಗಳ ರೋಧವು ಕಡಿಮೆಯಿರುತದೆ .
